事实证明,国际空间站的水正在涌入细菌 - 宇航员的健康状况可能处于危险之中

广告

地球上的人们对喝水谨慎。但是由于微重力,科学家特别警惕国际空间站。亚利桑那州立大学的一项新研究发现,空间站的饮用水充满了微生物的生活。

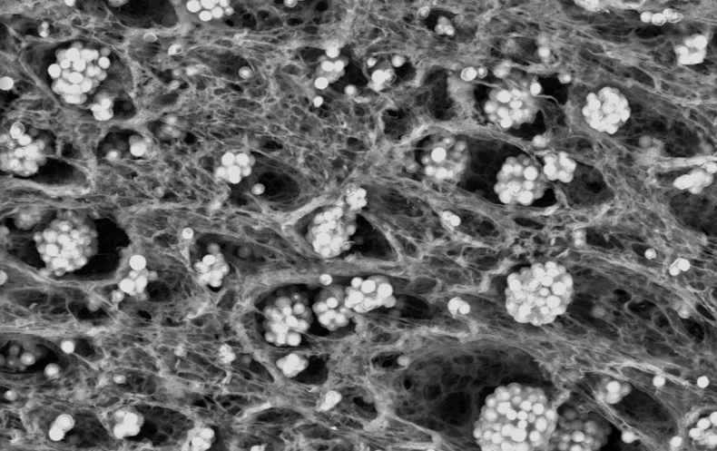
这项发表在NPJ生物膜和微生物大自然杂志上的研究发现,国际空间站的水充满了细菌菌落。研究科学家的重点是由ISS供水系统中发现的许多细菌物种组成的生物膜 - 这一现象是汇报说即使在地球上也很少理解。

这可能会使未来的太空任务的机组人员提高水质,但这并没有改变科学家从ISS的供水系统中收获许多微生物的事实。

当前的研究研究了关键的微生物功能特性,以扩大微生物寿命在太空飞行的微重力环境中的表现。关于微重力的有许多主张,即它具有改变可能风险长途空间任务的细菌特征的能力。

首席作家吉塞蒙·杨(Jiseon jiseon heang)在印刷机上说:“我们的研究提供了多年来从ISS供水系统中回收的单物和多物种细菌分离株的深入表型分析,以了解长期的微生物相互作用并适应微重力环境。”发布。“我们研究的结果可以改善空间和地球上人类建设环境的微生物风险评估。”

空间站确实有一个复杂的净水系统,使其可以回收水。NASA每年必须每年每名船员大约送水,根据该研究的新闻稿。

但是,这种方法并不理想,因为NASA在ISS的水系统中有很多细菌进行刮擦和分析。这项新研究表征了从2008年至2015年从国际空间站送回地球的饮用水样本中不同的微生物种群。

科学家们研究了几种特征,包括使这些奇怪的生物膜和抗生素耐药性的能力。特别是,随着宇航员穿越太空并暴露于细菌时,免疫系统似乎正在恶化。

需要更多的研究来发现ISS上可能对宇航员健康的细菌菌落的影响。但是,现在,专家至少有了关于细菌特征的基础研究所需的方法的更好的概念。

广告

发表评论

您的电子邮件地址不会被公开。