这些在实验室培养皿中生长的脑细胞自学了如何玩乒乓游戏

广告

澳大利亚科学家有了一个有希望的新发现,他们在实验室培养皿中培养并指导一群脑细胞玩一种名为“Pong”的经典游戏。研究小组花了很大的力气,并对配方进行了一些调整,因为此前从未有人教脑细胞玩“乒乓”游戏。值得注意的是,整个任务是在“感觉近似”的情况下进行的,这为科学家进一步探索这一领域的未来前景奠定了基础。然而,这项研究的结果已经发表在杂志上“神经元”。

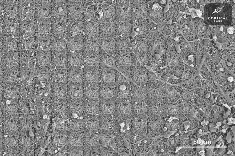
更不用说,这个不可否认的很酷的项目,被称为“DishBrain”,看起来就像80万个人类和老鼠的神经元被嵌入不同的微电极。科学家们给这些神经元编程,让它们在接收到电信号后继续执行任务,他们给它们编程的方式与之前用于研究诸如神经发育而且疾病

在经典街机游戏《Pong》中,神经元细胞的作用就像球拍,它们必须在估计的时间内将球反弹回来。阿迪尔·拉兹博士是这项研究的合著者,他说:“这种新的能力可以教会细胞培养物执行一项任务,在这项任务中,它们表现出感知能力——通过感知控制球拍回球——打开了新的发现的可能性,这将对技术、健康和社会产生深远的影响。”

另一方面,该研究的合著者卡尔·弗里斯顿教授说:“这项工作的美丽和开创性之处在于为神经元提供感觉——反馈——以及最关键的,对它们的世界采取行动的能力。”值得注意的是,两种文化都学会了如何通过行动使他们的世界更可预测。这是值得注意的,因为你不能教这种自我组织;原因很简单——不像宠物——这些迷你大脑没有奖惩意识。”

该团队表示,没有什么好担心的,因为这种方法不能用于任何负面目的,因为它还没有先进到可以将其用于其他方式。为此,英国痴呆研究所项目负责人Tara Spires-Jones教授说:“不要担心,虽然这些神经元盘子可以根据刺激改变它们的反应,但它们不是科幻小说风格的盘子里的智能,这些是简单的电路反应。”

广告

留言回复

您的电邮地址将不会公布。